Biến tần INVT CHF100A-018G/022P-4
CHF100A-018G/022P-4 biến tần đa năng bền bỉ, board mạch phủ, sản phẩm có độ bền vượt trội, sản phẩm mặc dù ra đời đã lâu vẫn rất được ưa chuộng sử dụng. Sản phẩm được sử dụng nhiều trong trong nhà máy và dân dụng nhờ chất lượng ổn định, giá tương đối cạnh tranh.

Bạn đang cần thông tin về biến tần INVT, hãy gọi cho chúng tôi hỗ trợ bạn
Hotline: 0901 879 122 (Zalo)
Thông số kỹ thuật cơ bản biến tần INVT CHF100A-015G/018P-4
- Mã sản phẩm: CHF100A-018G/022P-4
- Kiểu điều khiển: V/F, sensoless vector ( SVC)
- Công suất : 18kw
- Điện áp vào: 3P 380V
- Tần số đầu vào: 50-60Hz ( cho phép từ 47-63Hz )
- Điện áp ra: 3P 0-220V
- Dòng định mức đầu ra: 37/45 A
- Tần số đầu ra: 0-400Hz
- 7 đầu vào số, trong đó có 1 đầu vào sung tốc độ cao
- 2 đầu vào analog: AI1 -10~10V, AI2 0~10V hoặc 0/4~20mA
- Truyền thông RS485 hoặc Modbus-RTU
- Moment khởi động 150% ở 0.5Hz
- Khả năng chịu quá tải: 150% dòng định mức trong 1 phút, 180% dòng định mức trong 10s
- Chức năng bảo vệ: Cung cấp đến 23 chức năng bảo vệ khác nhau trong biến tần như, quá dòng, quá áp, thấp áp, mất pha, quá tải, ect.
- Độ phân giải đầu vào số ≤ 2ms
- Chức năng tự động điều chỉnh điện áp ( AVR)
- Analog output: 2 channels (AO1, AO2) 0~10V /0~20mA
- 1 ngõ ra output sung tốc độ cao
- Relay output: 2 ngõ ra relay (NO, NC)
- Môi trường hoạt động: -10~40°C, Giảm hiệu suất từ 40°C trở lên, được khuyên dùng dưới 40°C, độ ẩm dưới 90%
- Làm mát: quạt làm mát
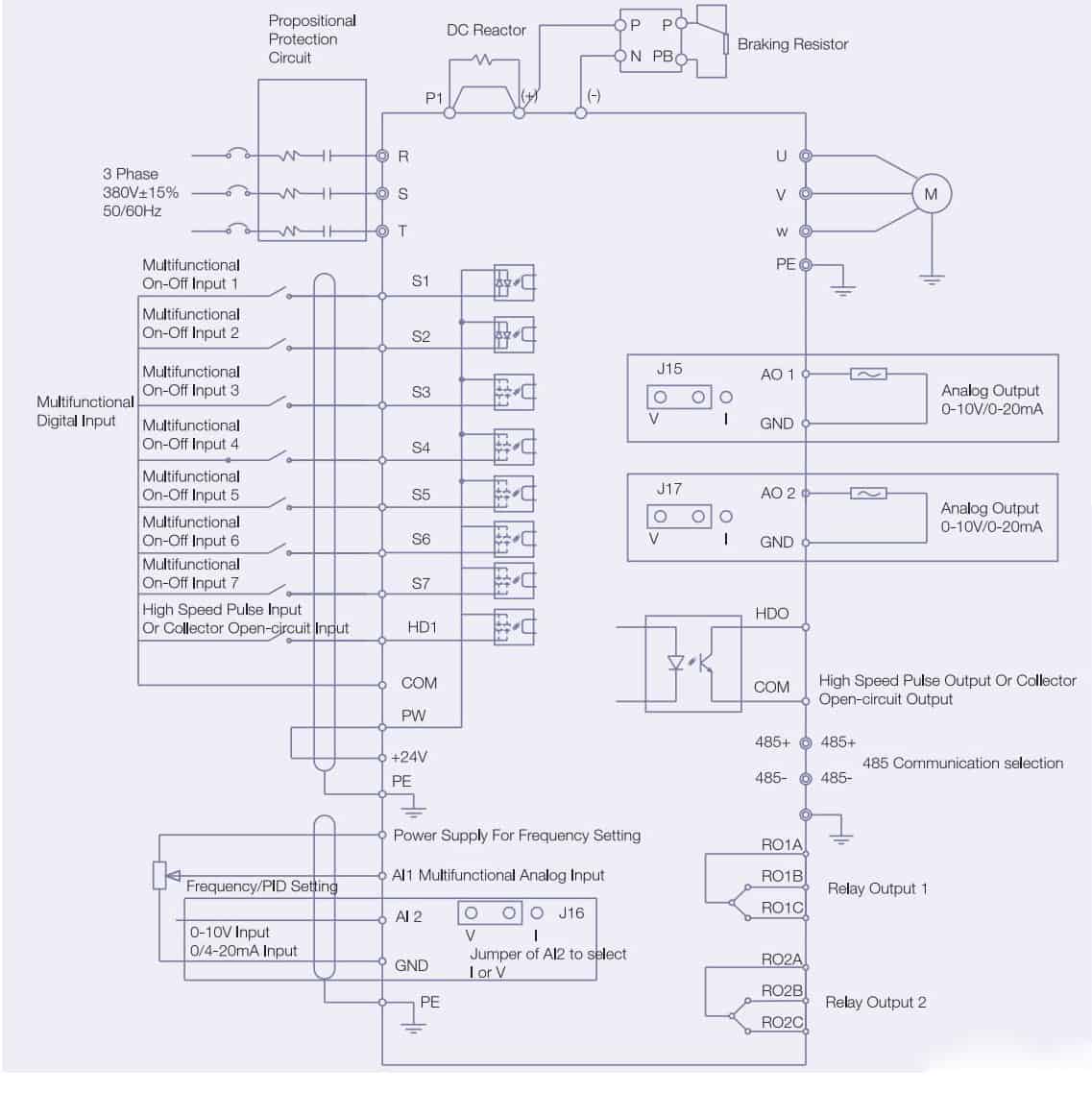
Sơ đồ đấu dây biến tần INVT CHF100A

Bảng thông số kích thước INVT CHF100A


sản phẩm tương tự công suất thấp hơn 1 cấp
Ừng dụng INVT CHF100A
Biến tần CHF100A-018G/022P-4 được sử dụng trong bơm quạt, hệ thống cấp nước, hệ thống làm mát, máy nén khí, hệ thống thông khí làm mát nhà xưởng, băng tải, trong chế tạo máy,…
Tài liệu biến tần INVT CHF100A
Tài liệu hướng dẫn sử dụng biến tần CHF100A
Quý khách quan tâm sản phẩm vui lòng liên hệ
Công Ty TNHH Thiết bị tự động hóa Phúc Thịnh
Hotline: 0979890080
Email: info@phucthinhautomation.vn













